Рубильник РЦ 6 630А
Рубильник РЦ 6 630А – это мощное и надежное устройство для ручного управления электрическими цепями с номинальным током до 630 ампер. Он широко применяется в распределительных щитах и электроустановках, где требуется безопасное включение и отключение нагрузки. Это оборудование оптимально для промышленных объектов, жилых и коммерческих зданий, обеспечивая эффективное управление электроснабжением.
Основные преимущества Рубильника РЦ 6 630А
• Высокая надежность и безопасность. Конструкция рубильника обеспечивает минимальный износ при частых включениях и отключениях, что продлевает срок службы и снижает риски перегрева.
• Удобство эксплуатации. Механизм управления рубильником прост и эргономичен, что позволяет оперативно управлять цепью даже при повышенных нагрузках.
• Компактные габариты. Рубильник РЦ 6 630А занимает минимум места в щите, облегчая его интеграцию в различные системы электроснабжения.
• Соответствие стандартам. Устройство отвечает строгим требованиям ГОСТ, что подтверждает его качество и безопасность использования.
Где использовать Рубильник РЦ 6 630А?
Этот рубильник идеально подходит для применения в:
• промышленных комплексах;
• жилых зданиях и коммерческих центрах;
• инфраструктурных объектах;
• распределительных сетях и щитах.
Рубильник РЦ 6 630А гарантирует надежное и безопасное управление электрическими цепями, устойчив к высоким нагрузкам и длительному использованию. Если вам нужно надежное решение для электросистемы, рубильник РЦ 6 630А станет отличным выбором для обеспечения стабильности и безопасности электроустановок.
Закажите Рубильник РЦ 6 630А у проверенных поставщиков и обеспечьте максимальную безопасность и эффективность вашей системы электроснабжения!
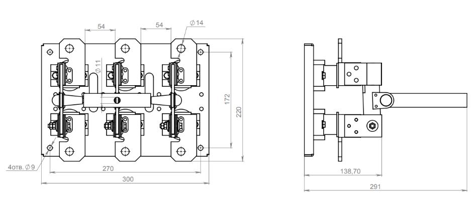
Технические характеристики
- Страна производитель – Россия;
- Производство – г. Челябинск, ООО Завод «Электроконтактор»;
- Тип товара – рубильники;
- НО контактов – 0;
- НЗ контактов – 0;
- Частота – 50/60Гц;
- Номинальный режим работы - продолжительный;
- Температура окружающего воздуха - от -45ºС до +40ºС;
- Высота установки рубильника над уровнем моря - не более 1000 м;
- Рабочее положение рубильника – вертикальное, допускается отклонение в сторону не более 5º;
- Ток номинальный – 250А;
- Защита по IP – 00;
- Напряжение – 690В;
- Род тока – постоянный, переменный;
- Исполнение – стационарный;
- Рукоятка – ручка;
- Исполнение рукоятки – несъемная;
- Подключение – винтовое;
- Монтаж – на монтажную плату;
- Категория размещения – У3;
- Силовых полюсов – 3;
- Категория использования рубильников по ГОСТ Р 50030.3 - АС-20В












